Xử lý khí thải bằng phương pháp hấp thụ là gì? Hiệu quả không?
Đây là một khái niệm khá mới đối với một số người. Để chọn lựa được phương pháp phù hợp nhất cho dự án, ta sẽ không chỉ dừng lại ở một hai phương pháp, phải nằm và hiểu rõ được công nghệ này. Vậy trong bài viết này, IPFVN sẽ chia sẻ những thông tin về các phương pháp hấp thụ trong xử lý khí thải. Hãy cùng theo dõi nhé.
Xử lý khí thải bằng phương pháp hấp thụ là gì?

Đây là phương pháp sử dụng chất lỏng hoặc rắn để làm nguyên liệu hấp thụ khí độc từ quá trình sản xuất của nhà máy. Đây là quá trình chuyển hóa các chất khí độc hại vào trong pha lỏng, nhờ quá trình hòa tan nên làm chúng tiếp xúc với nhau. Đây là phương pháp mang lại hiệu quả mà chi phí đầu tư tương đối rẻ.
Cơ chế hoạt động của xử lý khí thải bằng phương pháp hấp thụ

Nguyên lý làm việc của phương pháp này bao gồm 3 bước:
Bước 1: Khuếch tán các phân tử ô nhiễm thể khí trong khối khí thải đến bề mặt của dung dịch hấp thụ.
Bước 2: Thâm nhập, hòa tan các chất khí vào bề mặt của dung dịch hấp thụ.
Bước 3: Sự khuếch tán các chất khi đã hòa tan ở trên bề mặt ngăn cách vào sâu bên trong lòng chất lỏng hấp thụ
Trong quá trình hấp thụ thì các phần tử chất khí ô nhiễm trong khí thải bị giữ lại trên bề mặt vật liệu rắn và làm sạch. Những chất bị giữ lại gọi là chất bị hấp thụ. Các hoạt động khử ẩm trong không khí, khử khí độc hại và mùi trong khí thải, thu hồi các loại hơi, khí có giá trị được gọi là quá trình hấp thụ.
Các phương pháp hấp thụ trong xử lý khí thải
Quá trình hấp thụ được sử dụng khá phổ biến để khử ẩm trong không khí nhằm loại bỏ những chất gây mùi, hơi dung môi, chất màu, những ion hòa tan trong nước.
Có 2 phương pháp hấp thụ chính:
Hấp thụ vật lý
Đây là phương pháp mà trong quá trình không hấp thụ không xảy ra tương tác hóa học, hấp thụ vật lý là quá trình thuận nghịch.
Hấp thụ hóa học
Trong khi quá trình hấp thụ sẽ xảy ra phản ứng hóa học.
Ưu và nhược điểm của quá trình hấp thụ khí thải
Ưu điểm của quá trình hấp thụ khí thải
-
Có thể xử lý được các khí độc hại có nhiệt độ thấp.
-
Hiệu suất cao, nhất là với các chất khí có khả năng hòa tan tốt.
-
Cách vận hành đơn giản, dễ bảo quản và sửa chữa.
-
Các dung dịch hấp thụ dễ dàng tìm kiếm và có thể hoàn nguyên.
-
Có thể kết hợp xử lý khí cùng với tắc bụi và làm lạnh
Nhược điểm của quá trình hấp thụ khí thải
-
Nếu hoàn nguyên thì sẽ tốn chi phí hoàn nguyên một lượng dung dịch lớn.
-
Nếu ta không hoàn nguyên thì sẽ phải xử lý nước thải.
-
Tốn năng lượng.
-
Chiếm nhiều diện tích
Ứng dụng của xử lý khí thải bằng phương pháp hấp thụ

-
Xử lý khí thải ô nhiễm.
-
Xử lý được khí thải với lưu lưu lượng phát thải lớn.
-
Thường dùng để xử lý các khí như SOx, HCL, H2S,CL2,NOx,H2S,Axeton,...
-
Thu hồi được các các chất để tuần hoàn hoặc để chuyển qua các công đoạn sản xuất khác.
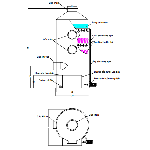
Một số tháp xử lý khí thải bằng phương pháp hấp thụ
Tháp đĩa
Tháp bao gồm một vỏ đứng mà bên trong đó có một số đĩa đục lỗ, khí sẽ đi theo chiều dưới lên qua bề mặt chứa trên mỗi đĩa. Sau khi đi qua đó thì các khí sẽ được hòa tan trong dung dịch hấp thụ.
Tháp đĩa thích hợp với khí chứa bụi hoặc là các khí hòa tan. Khi nhiệt độ dung dịch giảm, tháp đĩa hoàn hảo vì dễ dàng lắp đặt bộ phận làm mát.
Tháp đệm
Bao gồm một giá theo phương thẳng đứng chứa vật liệu đệm, vật liệu đệm có thể là sứ, gỗ, polytylen,... với các hình dạng khác nhau. Chất lỏng hấp thụ tới ở phía trên vật liệu đệm và nhờ vật liệu đệm mà tạo nên bề mặt tiếp xúc giữa khí và dung dịch. Lưu lượng qua tháp đệm đi theo chiều từ dưới lên và dung dịch đi theo chiều từ trên xuống.
Tháp đệm có hiệu quả với việc xử lý khí thải chứa bụi sương, tháp đệm có tổn thất áp lực và chế độ hoạt động ở áp suất ẩm nên chất lỏng tạo bọt đi qua tháp đệm tốt hơn.
Tháp phun
Tháp phun bao gồm một vỏ thẳng đứng, bên trong bố trí hệ thống phun dung dịch hấp thụ, tạo nên sự tiếp xúc giữa khí và dung dịch, chuyển động của dòng khí trong loại tháp này thường ở dạng xoáy.
THáp phun áp dụng cho các khí khó tan, có hiệu quả với hạt chất lỏng đồng thời cũng dùng để xử lý bụi.
Thiết bị rửa khí
Gồm 2 buồng: Buồng ở phía trên cho chất hấp thụ đi vào và có một dòng phun vào không khí. Dòng chất lỏng phun tia này sẽ hòa tan hoặc lôi kéo các hạt chất lỏng. Phần khí ngưng tụ sẽ được đi vào buồng dưới và thoát ra bên ngoài.
Thiết bị khuấy
Trong thiết bị này chưa bộ phần khuất để tạo xoáy, dòng khí và dòng chất lỏng dựa vào theo chiều tỉ lệ nghịch ở thành thiết bị.
Để lựa chọn phương pháp sao cho phù hợp phụ thuộc vào nhiều yếu tố. Chúng ta có thể thấy xử lý khí thải bằng phương pháp hấp thụ là phương pháp mang lại hiệu quả khá cao và khá đa dạng cho nhiều đối tượng sử dụng.
Tham khảo thêm: Các tháp xử lý khí thải
Công ty TNHH Kỹ thuật IPF Việt Nam là công ty chuyên cung cấp các sản phẩm công nghiệp và phụ trợ công nghiệp. Phục vụ ngành xử lý khí thải, và nước thải. Đội ngũ nhân viên trẻ, nhiệt tình luôn đặt mục tiêu lợi ích của khách hàng, sự tin tưởng của khách hàng là kim chỉ nam cho sự phát triển của công ty đã đáp ứng được nhu cầu rất thiết thực của con người và bảo vệ môi trường. Liên hệ chúng tôi qua hotline: 0975360629
Để tham khảo thêm về sản phẩm công nghiệp bạn có thể truy cập tại IPFVN để được tư vấn cũng như đặt mua các mẫu sản phẩm cho mình nhé.